全自動反沖洗二次濾網,膠球清洗裝置系統二次濾網外形尺寸、技術特點及主要參數?

全自動反沖洗二次濾網,膠球清洗裝置系統二次濾網外形尺寸、技術特點及主要參數?連云港市宏琦電力輔機有限公司二次濾網系列產品在業內率先采用排污頭旋轉的先進結構形式,獨有精確的定位檢測技術,筒體及網芯采用優質不銹鋼材質,完全滿足海水條件設計方案。
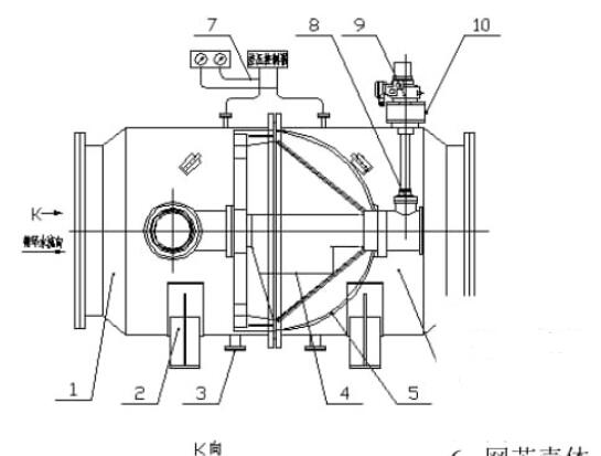
1.進水殼體;2.馬鞍座;3.放水管;4.排污斗;5.網芯;6.網芯殼體;7.測壓管路;8.傳動系統;9.排污斗電動裝置;10.接近開關;11.檢修人孔門;12.排污彎管。膠球清洗裝置系統二次濾網技術特點:
循環水二次濾網的骨架、網芯應具有足夠的強度,能在0.2MPa的壓差作用下
正常工作,二次濾網采用臥式安裝。
二次濾網在設計流量下,網芯潔凈時,水阻不大于500mmH2O。二次濾網為全自動運行,隨著雜質在濾網上的積累,網芯前后的壓差不斷增加,當網芯前后壓差達到設定值(一般為900mmH2O)時,濾網自動開始反沖洗,每個反沖洗周期不長于1分鐘,且一次清洗帶走的水量應小于相應時間內額定流量的4%,同時還具有力矩保護,自動反轉等功能,反沖洗轉子在轉動受阻時會自動反轉同時報警,以保證整個循環水系統安全高效地全自動運行。
二次濾網轉子驅動機構型式為電動,二次濾網與循環水(洪水期間含沙量較大)接觸的轉動件有成熟、可靠的密封結構型式及監測措施。且反沖洗轉子還應設手動控制,在電源故障時可手動操作。排污轉子的驅動方式為電動,反沖洗電機采用進口優質產品。
排污閥采用電動閥門(閘閥),充分考慮用戶在洪水期間河床草較多造成排污閥掛草堵塞的情況,在系統設備上采取措施(如加大通經),排污閥門及電動執行機構進口,閥門電動裝置采用智能一-體化型,滿足其工作環境的溫度、濕度等要求,防護等級為IP67.
二次濾網的網孔及網孔中心距應根據所提供的循環水水質進行設計。應在投標書中明確所選用的濾網的網格目數及網孔面積、凈化能力、流通倍率等指標,并提供過濾后所能達到的水質指標。
二次濾網的網芯等內部過流部件采用耐腐蝕性能較好的316L不銹鋼材料,并為多個可單獨拆卸或更換的結構。網眼無連孔、破孔等缺陷,并且排列整齊。
濾網網芯分成多個單位,分別采用螺栓固定在支撐板上,以避免由于循環水長期沖刷造成焊點先腐蝕而導致強度降低,甚至破壞。網芯應能承受200kPa的差壓,而不變形、不損壞。
殼體上濾網前后各設一個DN600mm人孔門,網芯可單獨拆卸,在局部發生破損的情況下只需通過人孔門即可逐片進行更換,便于維護檢修。
說明電動濾網的每個設備接口承受的力和力矩的限制。所有的設備包括其支座,都具有安全承受從用戶連接管道接口傳遞來的力和力矩的能力,并且假定這些力和力矩同時發生作用。
電動濾網系統中閥門開啟與關閉應靈活、方便。同型號設備的零部件(包括備用品)都應是完全可以互換的。
二次濾網設備的使用壽命為30年。
二次濾網控制系統主要參數:
每臺機組設兩臺二次濾網,每臺二次濾網配置一套完整的控制系統,包括控制箱
和必需的就地儀表(其型式應經采購方確認)等?刂葡到y為PLC控制。
控制系統能實現循環水二次濾網的“自動”、“手動”控制,即差壓和時間自動控
制及就地和遠方手動控制。正常運行為自動控制,達到無人值守的運行水平。在“手動”
方式下運行時,排污電動門和反沖洗轉子均能單獨進行操作:在“自動"方式下運行時,
當二次濾網網芯前后差壓達到設定值或當遠方發出“啟動”和“停止”指令時,排污
電動門和反沖洗轉子按設定的程序清洗濾網:另外設有時間控制,即在設定的時間間
隔內,無論差壓是否達到某一定值,均可自動清洗一次。
控制裝置與機組DCS之間設有接口。接口要求為無源干接點,接點容量滿足220VAC 3A和220VDC1A的要求。